【明慧网2003年11月28日】在长途汽车或公共汽车上可采用低功率的小喇叭定时播放。实物体积约13x13x16立方厘米,用6节一号干电池供电,总价40元左右;而在集市、居民区、校园或广场、劳教所等地方播放时要用功率较大的喇叭,自己制作只需要60元左右,体积在13x13x30立方厘米,采用10对一号干电池供电。
  图一 |
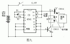
        一)组装实物图及简图如图一和图二。二)自动翻面随身听,价格20元左右。打开随身听的后盖将4颗导线(两颗信号线,两颗电源线)接出,在电源线的正极接C9014的发射极或者集电极,在C9014基极接一颗红导线,电源负极用黑导线,音频线的地线用白导线,信号线用黄的。还可在电源两线之间加接一个1000uF/6.5v的电容器,降低噪音。注意,有些随身听的音频线的地线与电源正极相通,此时随身听的自带扬声器或耳机有电流通过,供其末级功放供电,如果取掉随身听的扬声器,则必须在音频线的两线之间接一个相当于扬声器的电阻(8欧),否则,末级功放无电,则无信号输出。 三)此处介绍两种功放,TEA2025,TDA2005M。简要介绍TDA2003,LA4440。为方便仿制,电路图直接画在集成块上,集成块的脚命名方法是:有字面朝上,脚朝向自己,从左到右为1,2,3,4…… ⑴TEA2025,2元一块,电路图如图三。电源用6节1号干电池,为市场上25瓦喊话器的功放集成块。此处组成BTL电路,负载4欧时输出功率达到8瓦,适合在长途车等封闭环境使用。操作时,可将电阻电容直接焊在集成块上,然后在集成块背面涂上导热硅脂。固定在一小块铝片上,导热用。可与TEA2025直接替换的有LA4182、4183;SL4182;TDA4190、4550等。 ⑵TDA2005M,5.7元一块,电路图如图四。TDA2005有两种型号TDA2005S和TDA2005M,前者适合于双声道功放,后者适合于组成BTL电路,二者参数不同。TDA2005M负载8欧,电源用10对一号干电池串联成15V时,输出功率可达20—21瓦。 附3,TDA7381A是一种高保真优选功放,电路图如图五。负载8欧时不失真输出功达到100瓦(25瓦×4ch),外围元件少,可用4个扬声器四方广播,电源用电池串联或电瓶,可用4节一号电池并联再串联成15V,如果能购买到TDA7381建议使用。TDA2003,3元一块,如图六。LA4440,10元一块,如图七。前者在10对一号干电池串联成15V时负载8欧时,输出功率达18瓦,后者则可达21瓦,此处介绍的都是BTL电路,而且性能较佳。 五)自制广播喇叭,如图八。 ⑴选材:40W~60W,80w~100W的音箱喇叭,其磁铁大小相当于15瓦~25瓦广播喇叭的磁铁。价格在10元左右,旧的亦可,此处只用其磁铁部分。先购买一个音箱喇叭取其音圈,根据音圈大小去购买广播高音音圈(2元一个)。市场上有20瓦的音圈相当;适量的塑料板;万能胶101或者502等(502不能粘纸板),制作如下。 注:A、C硬纸板要选择相当结实的纸板。 ⑵先按照音圈大小剪好A、C圆圈(其内径比音圈波纹外径达2-3mm),然后将A板用胶水粘在磁铁上,(一定要粘结实),A板的内外圆与磁铁圆心重合(同心圆)。 ⑶将音圈放在纸板上试一试,在音圈导线下方的铁板上涂上绝缘胶(可用白乳胶代替),防止音圈工作时导线与铁板接触短路。胶干以后再将音圈放上,用手按住音圈膜左右移动,使音圈的导线组(音膜下方的圆筒)刚好落在音圈缝里。压住音圈,接入随身听的音频线,听有无摩擦声。放平稳后用胶水粘在A板上。 ⑷找一个厚塑料瓶(洗涤灵等),剪下瓶顶穹隆部,(如图八所示),剪口的地方剪几条缝(缝的长度等于纸圈A的宽度),如图八所示压平,剪口压平后内外径与纸圈一样, 用万能胶将B纸圈粘在剪口的下部;将此集合体粘在音圈上。这样发音部分即完成。用万能胶在外面涂上一层,保证结实。 ⑸将做好的圆锥筒E插入瓶口,粘实,再将F罩在E上,别与E相碰,再将F的3个脚粘或焊在塑料外壳G上,再将G粘在磁铁上。将音圈的导线从G底部接出来。喇叭即做成。 ⑹注意,E、F、G的角度相继越大,G越大,扬声器传播距离和覆盖面越大。粘结过程一定要粘结实。这样做出的高音喇叭与市场上购买的相当,而且,价格在15元左右,省去喇叭的大笔费用。 六)定时器:如图九。用CD4541定时(网上已有介绍),用途广泛,价格低效果好。其定时成立条件为: R2=2R1,计算公式T(s)=2.3nR1(欧)Cx(法),为方便计算化简如下:定R1为150k,Cx为变量。图九中A、B取负,n=4096,T(min)=23.55×Cx;A、B取正时,n=32768,T(hour)=3.14×Cx;A取正、B取负,n=128,T(min)=0.74×Cx;A取负、B取正,n=512,T(min)=2.94×Cx 。原理:CD4541是计数定时器,设定Cx后,电源接通开始计数,到设定时间后,从8脚输出脉冲信号,使C9013导通,继电器与随身听开始工作,继电器导通使功放通电,喇叭工作。注意:此处定时电路与随声听采用同一电源供电,因此用一个C9014接入,起降压作用,即中间脚与D相通,发射极连随声听正极,K为控制开关。第8脚不宜用C9014,其过流不如C9013大,随身听工作时电流在0.2-0.6A之间。悬挂条幅时,自己将D、C连接,电源用8节7号电池串联,在C9013体部拴上尼龙绳,到时C9013烧断尼龙绳,条幅脱落。C9013还可以点燃引线,使爆竹炸开箱子散发传单,吸引注意。 七)高压线悬挂喇叭或条幅的方法:
   1)用约62cm 的10号铁丝制作成如图1所示形状,然后将两个图1叠合,四根向上伸的铁丝组合成四个方向的内挂钩。 2)取一根14号铁丝制作成如图2所示形状,将其C部与图1所示B部合在一起,使其两钩各在A部的对称相邻两钩之间。 3)取一根穿线钢丝(直径1.2毫米)制作成如图3所示,将其D部固定在B部,图3的弹性要把握好。弹力臂与图2的两钩在一个平面上,在弹力臂末端的小孔内穿一橡皮筋与销子连结。销子长约4cm(钢丝或铁丝),一端光滑(不带毛刺),一端弯一个小圈。 4)再取14号铁丝组成如图4所示的结构,滑轮可以用木头自己制作,轴用10号铁丝,定位杆用14号铁丝。滑轮、定位杆孔1与孔2圆心在同一垂直线上,定位杆上下活动自如,用橡皮筋固定,不让其过于向上,保证穿过孔1的绳在孔2的中心。 5)用两根42cm的钢丝(直径1.2毫米)组成如图5所示的形状,再将其按平面垂直组合成四向外挂钩,再将图2所示的C部、图3的D部固定在图5的G部,这就组成四向外挂钩。F组成的四向外挂钩平面圆要比孔2大。 6)取一根10号铁丝绕成如图6,将H、I固定在图5的x和y处,10号铁丝的长度大于喇叭的宽度,J、K两孔穿一根小绳调整喇叭的方向。 这样,整个挂钩就做完。 7)操作:可以参看喇叭挂钩组成图
 ⑴ 在家将喇叭用两根等长(约30cm)的尼龙绳拴好,绳头系铁丝小钩(以便挂在H、I孔内) ⑵将能承受喇叭重量的编织尼龙绳*的一头(Q端)穿过孔2——孔1——滑轮——孔2,拉出来使绳的中点(M)落在滑轮上,用透明胶带固定(防止绳子脱离滑轮槽),在离Q端约15cm的部位钻一个直径约5毫米的孔,用针线牵边如图7,使孔不至于被喇叭坠变形。如果尼龙绳不适合打孔,可在其末端接一个如图8所示内径约5mm的梭形环(14号铁丝)。把梭形环接口处刮干净,涂上松香用焊锡焊结实,防止接口断裂。梭形环太大,则不能穿过孔1顺利脱落。 *编织尼龙绳——最早是军用,挂吊床、拴帐篷,七、八十年代流行用作钥匙绳,绳头对接用火烧就可以粘结实那种。 ⑶将滑轮两边的绳分别绕成球,最末端绕在球外。(从绳的中点M向两端开始绕)以下的绳都这样绕。(喇叭绳) ⑷ 将一根细尼龙绳穿过J、K孔,两端绕成球。(方向绳) ⑸在一根较粗的尼龙绳的一端按步骤⑵做一个孔或接一个梭形环,另一端绕在铅笔上(线头留在外)。(挂钩绳) ⑹取一特细尼龙线(鱼线或补鞋线)约30m,将其一端固定在一个纸盒内,然后慢慢地使线自由落在纸盒内呈圈状,末端接一个重约2两的螺母,盒盖盖上,螺母固定在盒盖的外面。线事先涂蜡使其光滑,使弹弓送螺母向上走的过程中线自由的向上走而不至于乱作一团。此过程很关键。弹弓要有一定的强度和准确度。 ⑺找一个纸箱子,将方向绳及其连带部分放底部,盖一层布,再在布上放喇叭绳及其连代部分,再盖上一层布,上放挂钩绳及弹弓,三,四个销子及剪刀等。 ⑻现场:打开纸盒,一人托小纸盒,一人拉弹弓,将螺母对准高压线的边线和中线之间打过去,盒底的绳接在挂钩线的内抽头(没有梭形环的一头),拉螺母使挂钩绳向上走,将挂钩的末端小孔(或梭形环)置于图2的两钩之间,销子穿在两钩和小孔内,一人向上拉,一人握住喇叭绳掌握挂钩方向,使挂钩两钩挂在电线上,不能再向上走时,松开绳,销子即在弹力下脱出,绳脱落,收好绳。再将喇叭绳的小孔端照以上方法拉动外挂钩向上走,喇叭挂在H、I孔内。一个人拉着喇叭绳的另一头使喇叭向上走,一人两手拉着方向绳掌握喇叭的方向;挂钩穿过孔2后不能再向上走时,松开绳,销子弹出,绳脱落。取下方向绳,收拾现场,注意,不要丢物品。不要使绳潮湿。附1:做真相条幅直接取用四向内挂钩即可,销子改为弧形,(如条幅挂钩图)挂钩可以大大缩小,用穿线钢丝即可。为了不易取下,在一些高原地区的两山头之间往往有极高的高压线,若线下有公路,村庄,集市,可以在高压线的电桩处悬挂。此时的挂钩要改进,只用三向内挂钩,如图10,在每一个挂钩的顶部置一滑轮,从而将条幅滑向高压线的最低处,定时展开巨型条幅,定时只需3-4元。(前面已有介绍)。还可以在条幅中间裹上传单或小册子,这样展开同时可以使观众了解真相,但要考虑会否下雨或掉入水中。为了吸引群众,还可以定时放鞭炮,空中鞭炮响,引线末端系在固定条幅的小绳上,引线烧断小绳,条幅落下来,满天撒传单。在人多地方,效果较佳。 注意,在操作加工过程中要多实验,此处介绍方案操作简单,但制作较麻烦,可以适当改进。 制作条幅的方法:
 一、小条幅,用较厚的透明塑料板(新衬衣衬领袖透明塑料板,广告器材商店有售,装裱用)比照打印的空心字用签字笔描出轮廓,刻好模子,刻字时保留笔划交叉的地方(如刻字模示意图),图中白色部位刻掉,为保证刷印时字模联线不被刷断,交叉对顶角尽量为弧形。然后用排笔蘸颜料(广告色兑白乳胶)刷印,字不易脱落。
  二、大条幅,用计算机打印的空心字,按照方格比例(美术绘画常用),可随意放大,直接将字用裁衣画粉画在布上,填上颜料即可,写出来的字不易脱落,不怕水。1、在一张透明塑料板上按空心字的大小画一长方形,将长、宽各分成10等分,即为原字模方格。2、在牛皮纸(可以反复使用)上按需要的字(注意布留幅边)的宽、高画一长方形,各分10等分,为放大字模方格。将空心字放在原字模方格底下,将布放在放大字模方格的上面,按照原字模方格的笔划对应画在布上,稍加修饰,即为放大空心字。如放大字模示意图。写条幅时,将条幅两端绷紧、架空(节省颜料、字体美观),用美术排笔蘸适量颜料填写两次即可。(广告色对白乳胶9:1,瓶装广告色倒掉2/3上面的水,保证浓度)
|